Application:
This hermetic 72V-810V auto air conditioner compressor terminal mainly used in 72V-810V air conditioner compressor that requires hermeticity, electrical insulation and high pressure withstanding while establishing electrical connections.
Materials:
Body: C45, SAPH440, Q345B
Pin: 446SS 4J28
Glass: High temp fused glass
Ceramic:99#
We provide custom made service of various types of hermetic terminal based on your request. Our hermetic terminal has features as below
- Good insulator: static test at 500VDC, insulation greater than 5000MΩ
- Air tightness: remain air tight at 2.5MPa
- High voltage withstanding: greater than 2000VAC, current leakage less than 0.5Ma
- Corrosive resistant: with reference to salt spray standard GB/T2423.17, reaching level 8 and above
- Resistant to various refrigerant: R114a, R410a, R22 and CO2
- Resistant to cold and thermal shock: remain functioning from -40 degree Celsius to 300 degree Celsius.
Sintering process
- 1. Goods receiving
- 2. Incoming inspection
- 3. Steel needle etching
- 4. Oil removing on metal cap
- 5. Assembly and sintering
- 6. Air permeability inspection
- 7. Chemical nickel plating
- 8. Welding
- 9. Silicon process
- 10. Electrical property inspection
- 11. Appearance inspection
- 12. QA inspection
- 13. Packaging
- 14. Shipping
Surface treatment:
We adopt the environmental friendly electroplating technique, which is electroless nickel plating at 3-5 μm thickness. The nickel coat does not contain hazardous substances such as mercury, lead, cadmium and hexavalent chromium, reaching EU's standards. It passed the SGS environmental test.
- Corrosive resistant ability: After a 12 hours 5% salt spray test, the rusty area must not exceed 5% of the total area according to the ISO9227-2017 test standard.
- Salt spray test standard: GB/T2423.17,IEC60068-2-11,ISO4628-3
Tables below showing all models of the hermetic 76-810V air conditioner compressor terminal we manufactured previously
Hermetic 72V-810V Auto Air Conditioner Compressor Terminal SC-4-39
| Model | Body thickness | Distance between pins | Pin external diameter | Pin length | Distance between eyelets | Motor terminal connection | Controller terminal connection | Surface treatment | Maximum current |
| SC-4-39 | 5.4mm | 15mm | Φ3.18mm | 35.9mm | Circlip | 6.4 plate insertion | Direct Insertion | Electroless nickel | 30A |
Hermetic 72V-810V Auto Air Conditioner Compressor Terminal SC-4-HQ00
| Model | Body thickness | Distance between pins | Pin external diameter | Pin length | Distance between eyelets | Motor terminal connection | Controller terminal connection | Surface treatment | Maximum current |
| SC-4-HQ00 | 4.0mm | 12mm | Φ3.18mm | 49.3mm | 51mm | Direct Insertion | Direct Insertion | Electroless nickel | 30A |
Hermetic 72V-810V Auto Air Conditioner Compressor Terminal SC-4-27
| Model | Body thickness | Distance between pins | Pin external diameter | Pin length | Distance between eyelets | Motor terminal connection | Controller terminal connection | Surface treatment | Maximum current |
| SC-4-27 | 4.75mm | 14mm | Φ3.18mm | 32.5mm | Circlip | Direct Insertion | Direct Insertion | Electroless nickel | 30A |
Hermetic 72V-810V Auto Air Conditioner Compressor Terminal SC-4-24
| Model | Body thickness | Distance between pins | Pin external diameter | Pin length | Distance between eyelets | Motor terminal connection | Controller terminal connection | Surface treatment | Maximum current |
| SC-4-24 | 4.5mm | 15mm | Φ3.18mm | 31.2mm | 57.6mm | 6.4 plate insertion | 4.0 plate insertion | Electroless nickel | 30A |
Hermetic 72V-810V Auto Air Conditioner Compressor Terminal SC-4-36
| Model | Body thickness | Distance between pins | Pin external diameter | Pin length | Distance between eyelets | Motor terminal connection | Controller terminal connection | Surface treatment | Maximum current |
| SC-4-36 | 5.0mm | 12mm | Φ3.18mm | 33.6mm | 46.5mm | Direct Insertion | Direct Insertion | Electroless nickel | 30A |
Hermetic 72V-810V Auto Air Conditioner Compressor Terminal SC-4-80
| Model | Body thickness | Distance between pins | Pin external diameter | Pin length | Distance between eyelets | Motor terminal connection | Controller terminal connection | Surface treatment | Maximum current |
| SC-4-80 | 4.8mm | 15mm | Φ3.18mm | 29.78mm | Circlip | 6.4 plate insertion | Direct Insertion | Electroless nickel | 30A |
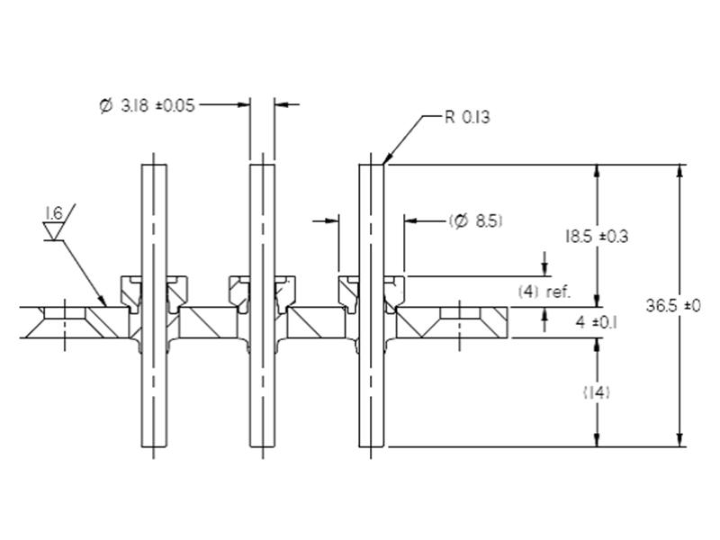
Hermetic 72V-810V Auto Air Conditioner Compressor Terminal SC-4-71
| Model | Body thickness | Distance between pins | Pin external diameter | Pin length | Distance between eyelets | Motor terminal connection | Controller terminal connection | Surface treatment | Maximum current |
| SC-4-71 | 4.0mm | 14mm | Φ3.18mm | 36.5mm | Circlip | Direct Insertion | Direct Insertion | Electroless nickel | 30A |
Hermetic 72V-810V Auto Air Conditioner Compressor Terminal SC-4-TQ00B
| Model | Body thickness | Distance between pins | Pin external diameter | Pin length | Distance between eyelets | Motor terminal connection | Controller terminal connection | Surface treatment | Maximum current |
| SC-4-TQ00B | 4.0mm | 12mm | Φ3.18mm | 51.5mm | 51mm | Direct Insertion | 6.4 plate insertion | Electroless nickel | 30A |
Index
hermetic seal terminal, hermetic connector, compressor seal, glass to metal seal